AESIGN Engineering Services delivers precision-driven mechanical design and CAD solutions focused on real-world manufacturing and product success.
Quality Workmanship
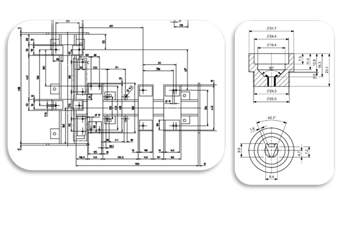
Every design is developed with strict adherence to engineering standards, GD&T principles, and manufacturing feasibility to ensure accuracy, reliability, and long-term performance.
Project Management
All designs comply with ISO, ASME, and industry-specific standards, ensuring safety, quality, and seamless integration into manufacturing environments.
Safety & Compliance
All designs comply with ISO, ASME, and industry-specific standards, ensuring safety, quality, and seamless integration into manufacturing environments.
AESIGN Engineering Services was founded with a clear vision—to bridge the gap between design and manufacturing. With hands-on industry experience, we have successfully delivered mechanical design and CAD solutions across sheet metal, SPM, industrial machinery, and product development projects.
- Manufacturing-oriented design approach
- Experience across multiple industrial sectors
- Strong focus on precision and feasibility
Our mission is to deliver practical, production-ready mechanical design solutions that help businesses reduce development time, improve product quality, and achieve manufacturing excellence.
- Deliver accurate & optimized CAD designs
- Ensure ISO & ASME compliance
- Support startups, SMEs & industrial clients
Our vision is to become a trusted engineering design partner known for innovation, reliability, and real-world problem solving across global manufacturing industries.
- Drive innovation through engineering excellence
- Build long-term client partnerships
- Enable efficient and sustainable manufacturing
Engineering design solutions from concept to manufacturing
We provide end-to-end mechanical design and CAD engineering services focused on precision, compliance, and production readiness.
Engineering solutions delivered across industries
Practical Engineering Solutions Built for Manufacturing
Certified Engineering Practices
We follow globally accepted engineering standards such as ISO and ASME, delivering accurate, compliant, and production-ready mechanical designs you can trust.
Manufacturing-Focused Design Approach
Our designs are created with real manufacturing constraints in mind, ensuring smooth production, reduced rework, and optimized cost efficiency.
Reliable Support & Fast Turnaround
We provide responsive communication, quick design revisions, and dependable technical support throughout the project lifecycle.
Delivering Quality Engineering
95%
Have Questions About Our Mechanical Design Services?
We’ve answered some of the most common questions about our mechanical design, CAD modeling, and engineering support services.
What our clients say about Aesign Engineering Services
Have a project in mind? Let’s engineer it together
Looking for reliable mechanical design and CAD engineering support? Our team is ready to discuss your project requirements and deliver practical, production-ready solutions.
+91 9150 130 150
Get in Touch
The point of using Lorem Ipsum is that it has more-or-less normal




